STANDARD



用途に応じて様々なバージョンで対応可能なPeepod HD500は、シャーシーを付け替えることで、撮影パフォーマンスを広げます。

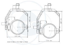
| ■サイズ | |
|---|---|
| Weight Of Universal Gearbox(each) | 1.8kg |
| Speed Range | 2seconds to 24hours |
| Maximum recommended Camera Payload | 27kg |
| Gearbox Water resistance | IP64 |
| Power to Head | 28V DC(Average 1.2amps) |
| Control Data to Head | 28V DC(Average 1.2amps) |
| Control Data to Head | RS232 |






